1994 Supra Wiring Diagram. supra wiring 1994 toyota diagram manual original
supra wiring 1994 toyota diagram manual original
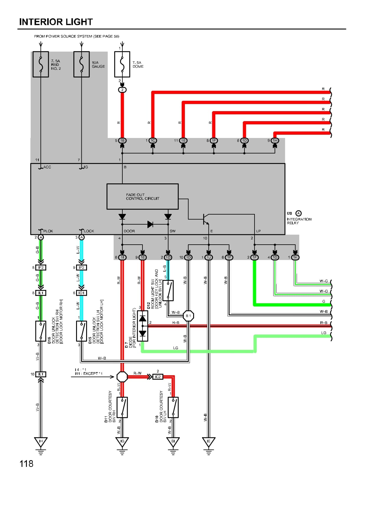
All Wiring Diagrams for Toyota Supra 1994 model Wiring diagrams for cars
supra wiring 1994 toyota diagram manual original supra wiring 1994 toyota diagram manual original
A Comprehensive Guide to the Toyota Supra Wiring Diagram
supra wiring 1994 toyota diagram manual original