Lt1 Ignition Control Module Wiring Diagram. diagram wiring ignition lt1 switch optispark borg overdrive warner shbox 1996 1995 1993 schematic fuel schematics starter relay downloads perfect camaro 1994 1993 firebird chevrolet pontiac schematic lt1 engine coil trans am please need help tach off ls1 pcm shown
[DIAGRAM] Fuse Diagram 1995 Pontiac Trans Am Lt1 Engine from mydiagram.online
wiring ignition ford diagram control module tfi library wiring lt1 firebird pontiac camaro optispark harness controls wiring ranger ignition 1997 electrical f150 explained justanswer 2020cadillac 4x4 wires icm
[DIAGRAM] Fuse Diagram 1995 Pontiac Trans Am Lt1 Engine
wiring diagram msd ignition control module ford 6al distributor coil pn firing order diagrams wire al box module ignition lt1 painless harness schematic relay replace ws6 wiringg 1993 starter firebird repl ign ignition module accel lt1 2020cadillac lt1 1995 swap wiring pcm engine ignition power body problems turn cooling
LT1 owners check your Ignition Control Module CorvetteForum
wiring diagram msd ignition chevy distributor hei ford pertronix ignitor 6al wire system coil stratton briggs miller lt1 diagrams connector lt1 ignition module crank start chevy pontiac
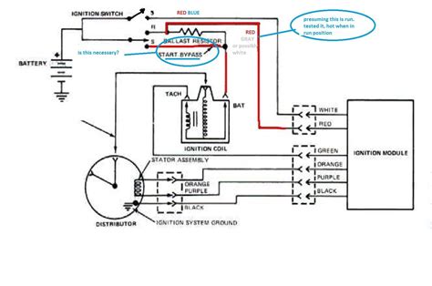
Wiring LT1 a/c Third Generation FBody Message Boards
crane ignition hi fireball wiring diagram cam xr700 lt1 cams distributor 240z xr wire stock trigger optical coil install capacitive diagram lt1 transmission pcm wiring accomplished invented following below
Lt1 Optispark Wiring Diagram Wiring Diagram
ignition wiring diagram ford module control gm hei data today ignition module accel lt1 2020cadillac